自动报警电路 |
在简易自动报警器中,常常采用蜂鸣器发声或发光二极管发光产生示警信号。由于小型蜂鸣器驱动电流不大,简化了电路设计。
驱动蜂鸣器的三极管开关电路 见图7。HA为声响指示器,采用低电压(3V)蜂鸣器,其工作电流仅需十几个毫安。VT选用9013,hfe≈200,偏置电阻器R为15kΩ,VT的基极电流IB约0.1mA,集电极电流IC约为10mA,此时VT已经饱和导通,其集电极—发射极之间电压VCE仅为0.05V 。 将图7电路中的控制开关S换成干簧管开关,就改造成磁控声响电路。将图7电路中的R减小到10kΩ,控制开关S换成光敏电阻器或光敏二极管,就成为光控声响电路。这些电路有什么作用呢?是否可以做为保险柜防盗报警,在打开柜门时,由于磁铁离开干簧管或者保险柜外光线照射而报警。必要时可以将磁控元件、光敏元件接到下偏置,以满足反相的控制效果。
湿度音响自动报警电路 见图8。它同图4光控电路相似,由两级三极管组成,只是元器件参数不同。湿度报警电路需要使用对潮湿敏感的元件,可以在绝缘体上固定两个电极,当绝缘体吸水潮湿后,绝缘性能受到破坏而使电极间“漏电”,报警器示警。如果在蜂鸣器两端并联上由发光二极管和限流电阻器串联而成的光指示信号器件,就成为湿度讯响报警电路。当其检测到潮湿信号时,自动发出灯光和音响示警信号。这个电路能否做为下雨、下雾或者婴儿尿布尿湿告知器。如果怕吵醒婴儿,可以去掉蜂鸣器而只保留光指示部分。 继电器自控电路 上述电路有一个共同的特点,利用三极管开关直接驱动负载——玩具电动机、讯响器等,使得自控电路执行机构的选择受到牵制,继电器电路就可以解决上述问题。
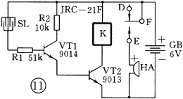
继电器电路 见图9 。继电器K选用JRC—21F等超小型弱功率电磁继电器,线圈电压选6V,消耗功率0.36W。由于继电器线圈工作电流60mA,比玩具电动机工作电流小,比蜂鸣器、发光二极管工作电流大,因此设计电路时各元件参数介于两者之间,图中参数供参考。在图9继电器电路中,F为衔铁,D为常闭触点,E为常开触点。当控制开关S闭合时,继电器吸合,常开触点F-E接通,发光二极管VD1点亮,R2为限流电阻器。图9控制开关S换成干簧管开关、双金属复片开关,就可以进行磁控和热控自动控制了。继电器触点可以根据需要选用常开或常闭触点。由于继电器触点与传感控制电路隔离,选用JRX型继电器,其触点可以接220V交流电,直接驱动交流电用电器。这些简单的自动控制器有什么用途呢?比如,利用荧(日)光灯中启辉器中的双金属复片,改制成可控温度传感器,制作成简易电子恒温箱、酸奶器,甚至炕头孵化鸡蛋的过热、过冷报警器等。 继电器自动控制电路 如图10~12所示。其中,图10为继电器光控电路,图11为继电器湿度控制电路,图12为继电器压力控制电路。在图12中,BZ为压电陶瓷片,此时做为压力传感器,敲击时能够产生正、负尖顶脉冲电信号,加到控制电路输入端,二极管VD1为负尖顶脉冲电流提供通路。电阻器R1和电容器C1组成充放电电路,以增加正向脉冲宽度,延长继电器吸合的时间。实验时,对压电陶瓷片突然施加或减少压力时,继电器都会吸合、发光二极管点亮一次。如果将图12改装成声控电路,还需要把压电陶瓷片声音传感器产生微弱的电信号进行放大,才能够驱动继电器电路工作。


|
|
|
|